Hem » Vedkaminer » Braskaminer » Aduro 9.8
Nyhet
Aduro 9.8

Aduro

Aduro 9.8

Pris: 22 790kr
  • Produktinformation

    Aduro 9.8 är en hög kamin med upphöjd brännkammare som ger enkel användning och en fantastisk insyn till lågorna. Dess välvda front ger ett mjukt, harmoniskt utseende, och höjden gör den särskilt lämplig för stora rum och rum med högt i tak.

    Den är utrustad med Aduro-tronic som automatiskt reglerar förbränningsluften för att säkerställa optimal förbränning. Kaminen har dessutom ett rymligt förvaringsutrymme med lucka. Aduro 9.8 passar perfekt att placera längs en vägg eller i ett hörn och smälter elegant in i alla hem.

    Det finns en specialdesignad golvskiva för Aduro 9.8. Den placeras framför kaminen och kan enkelt tas bort för rengöring på båda sidor. Du kan också välja en dekorativ toppskiva i täljsten som skapar en vacker visuell kontrast mot kaminens svarta stål. 

    Optimera förbränningen med Aduro-tronic!
    Aduro 9.8 är utrustad med Aduro-tronic som automatiskt reglerar lufttillförseln för enklare tändning och eldning. Lägg helt enkelt in torr ved i kaminen, aktivera automatiken och låt systemet sköta resten för att säkerställa effektiv förbränning och upp till 40 % mindre vedförbrukning.

  • Aduro 9.8

  • Specifikationer

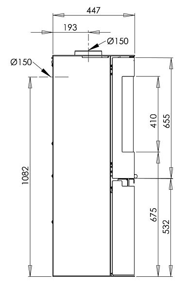
    Höjd (mm) 1200
    Djup (mm) 447
    Bredd (mm) 500
    Vikt (kg) 106.5
    Skorstensanslutning Topp/Bak
    Skorstensdimension (mm) 150 mm
    Effekt 3-9
    Nominell effekt (kW) 8
    Verkningsgrad (%) 80
    Systemets effektivitetsklass A
    Vedlängd max (cm) 39